![]() | Aanmaakdatum:20-07-2023 Document revisie: A |
| Product/merk: | DEFA | Voertuigmerk: | DEFA autosecurity |
| Product type: | DVS90 | Voertuigtype: | 400/800 |
| Product hardware versie: | Modeljaar: | ||
| Product software versie: | Modelcode: |
Als je met behulp van een oud DEFA schema een DVS90 wilt installeren zijn dit de volgende aandachtspunten.
- Wil je een installatie doen op originele handzender van de autofabrikant kies je het installatieschema van het type 400
- Wil je een installatie doen op DEFA handzender (deze stuurt de centrale vergrendeling van het voertuig aan dan kies je het installatieschema van het type 800
Voor het type 400-schema kijk je als eerste op pagina 2 (links onderin) van het voertuig specifieke schema naar dit kader:

Check of deze programmering (6.16 in het voorbeeld), beschikbaar is in DEFA Express en schrijf deze software in de DVS90 centrale. De genoemde 7.2 staat voor al da niet het aansturen van de richtingaanwijzers met het open/sluiten van het voertuig. In de meeste gevallen staat hier 7.2 en hoef je dus niets te doen.
Als je wel de richting aanwijzers aan wilt sturen kun je hier de patronen instellen
.

Als de programmering 6.XX niet beschikbaar is kun je het niet op originele handzender bouwen en zou je kunnen uitwikken naar een oplossing op DEFA handzender (mits beschikbaar)

In de oude schema's zie je, uiteraard de oude centrale unit van DEFA. Echter kun je alle draden / draadkleuren die vanuit de centrale getekend staan op pagina 1 één op één terugvinden en gebruiken bij de DVS90.
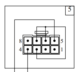
Voor het type 800 (aansturen CPV met DEFA handender) kijk je als eerste op pagina 2 van het voertuig specifieke schema naar dit kader, rechtsboven in de hoek (in dit voorbeeld staat er een 5.

Kijk of deze programmering beschikbaar is in DEFA Express.
In dit voorbeeld Central) lock diagram 5

Voor Central lock diagram 1, 2, 4, 6, heb je een extra deel nodig om de centrale deurvergrendeling aan te sturen. artikelnummer : 702508
Was dit artikel nuttig?
Dat is fantastisch!
Hartelijk dank voor uw beoordeling
Sorry dat we u niet konden helpen
Hartelijk dank voor uw beoordeling
Feedback verzonden
We stellen uw moeite op prijs en zullen proberen het artikel te verbeteren
